
Model FM, HM - Side Mounted Float Sensor
- Simple Installation
- Durable Float
- Stainless Steel Construction
- Reliability/Long switch life
** If purchasing replacement part, just give us the serial number and we will supply the correct part.**
General Description
The FM series, side-mounted level sensors, are manufactured specifically for level detection in clean liquids such as oils, water and chemicals. They are designed for horizontal mounting in a tank or vessel through flanged or threaded connections. To suit many different level sensing
Operational Description
The FM series contain a hermetically sealed reed switch within the stem or flange and a permanent magnet in the end of the shaft. As the float rises or falls with the liquid level, the magnet activates the reed switch. Changing the mounting orientation can reverse switch action. They work well as high or low level alarm or control for light-duty applications. The FM series can be used in any non-hazardous tanks or vessels. However they can be used in hazardous location by connecting with intrinsic safety barriers. (Local approval for the combination system use of Intrinsic Safety standard is required.)
Approval
FM-11 is approved by NK (Japanese marine engineering classification), Approval No. 97 FV 7058. The specifications are the same except the maximum switch
Click on the buttons for full Nohken Specification catalog Sheet and User Manual
Catalog Model FM/HM User Manual Model HM User ManualModel | FM-11 | FM-12 | FM-13 | FM-14 | FM-16 | HM-10 | ||||
---|---|---|---|---|---|---|---|---|---|---|
Description | Standard | Double Contact | Thread Mounting | Long Stem | Interface Detection | Micro Switch | ||||
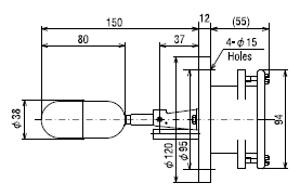
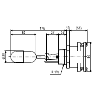
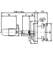
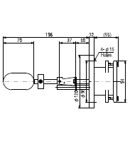
Mounting | JIS5K40A | R1-1/2 | JIS5K40A | JIS5K65A | ||||||
Switch Rating | 50VA 0.5A 300V AC, 50W 0.5A 300V DC Max (Resistive) | |||||||||
Operating Temperature * | -10 to 120 ℃ | -10 to 80 ℃ | -10 to 120 ℃ | |||||||
Maximum Pressure | 2.5 MPa. | 3 MPa. | ||||||||
Mounting Material | 304SS | |||||||||
Shaft and Float Material | 316SS | 316SS, Epoxy Resin | ||||||||
Housing Material | ADC12 | |||||||||
Cable Entry | G3/4 | |||||||||
Protection | IP44 | |||||||||
Minimum S.G. | 0.7 | 0.72 to 1.0* | 0.65 | |||||||
Life Expectancy | 1 x 107 Operations | 1 x 105 Operations |
* Middle S.G. of two liquids, the difference of SG is recommended more than 0.2.
Switching Level
FM-11 | FM-12 | FM-13 | FM-14 | FM-16 | |
---|---|---|---|---|---|
On | -3mm ± 3mm | -15mm +10mm (A,C Terminal) / -10mm +15mm (B,C Terminal) | -3mm ± 3mm | -3mm ± 3mm | -3mm ± 4mm |
Off | -12mm ± 3mm | -12mm ± 3mm | -12mm ± 4mm |
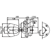
Technical drawings of Nohken Model FM Pneumatic Sensors.






For ordering replacement part, please supply full serial number
** If purchasing replacement part, just give us the serial number and we will supply the correct part.**