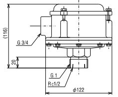
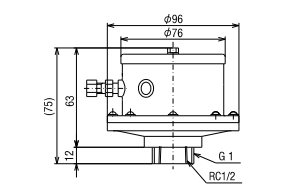
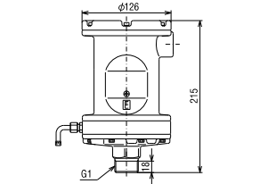
Low Cost: Requires only a standard 1/2 pipe in a material compatible with liquid.
Simple Installation: Requires only a G1 connection at the top of the tank.
Reliable: The FP employs a minimum of moving parts. The diaphragm moves a maximum of 2mm. No moving parts are incontact with the liquids.
Long life expectancy: The FP is designed for over 200,00 operations.
** If purchasing replacement part, just give us the serial number and we will supply the correct part.**
The FP series pneumatic liquid level sensor is a diaphragm actuated sensor. They are designed for use in high viscous liquids. The FP series cover the wide range of applications. The FP-1A, with a neoprene diaphragm, is for general usage. The FP-1S, with a Viton diaphragm, is for corrosive atmosphere. The FP-3, with neoprene diaphragm, is for cost effective. The explosion proof, FP510, is also available, which is approved as flameproof construction (d2G4) by Technical Institute of Industrial Safety (TIIS), Japanese Ministry of Labor.
Operation Description
The SPDT micro switch in the FP is actuated by compression of a captive air column in the detecting pipe beneath the diaphragm.
Operation of Model FP
Technical Notes
Pipe coupling shall be airtight by applying a sealing compound in paste form. Do not use a seal tape.
For low level detection, switch operating position may rise if the detecting pipe soaks long in liquid because pressurized air in the pipe is gradually dissolved into liquid.
For high viscous liquid, we recommend to cut the tip of the pipe at a slant or use the bigger pipe than usual 1/2".
Click on the buttons for full Nohken Specification catalog Sheet and User Manual