
Model RB - Rotating Paddle Sensor
- Simple torque adjustment
- Easy maintenance and repair
** If purchasing replacement part, just give us the serial number and we will supply the correct part.**
General Description
The RB series of rotating paddle sensors are designed to use in the application such as coal, limestone, ore, and etc, where our R7 series can not be used. Moreover, RB can also be used in the application of powder and solid detection by changing the detection torque.
The RB20 series are standard type. The RB21 series are custom made for heat resistive, extension, and long shaft. The maximum operation temperature Ordering Information is up to 250℃. The extension type is up to 1000mm, RB20N Standard plug mounting, G1", L=90mm and long shaft is up to 3000mm at vertical mounting.
Operational Description
When the power is applied to an RB sensor, a motor powers a revolving shaft to which a paddleis mounted. When the material level reaches the revolving paddle, the paddle rotation is halted then the motor itself starts rotating around the shaft and activates an isolated SPOT micro switch. This removes power from the motor so that it stops rotating and an alarm signal is provided. When the material level falls below the paddle, the motor resets and the micro switch restores the revolving action.
Applications
- Powder: Cement. Coal dust, Glass powder, gypsum, Lime powder, Carbon, Iron powder, Sand, Flour, Sugar, etc.
- Granular: Plastic pellet, Fertilizer, Cereal, etc.
- Block: Coal, Lime stone, Coke, Aggregate, Ore,
Technical Note
Detection torque can be easily adjusted on site by changing the spring position. The RB has four torque setting. The standard setting is "B". Adjust to "A", if there is a slight vibration on the hopper. Adjust to "C" or "D", if the load is small.
Click on the buttons for full Nohken Specification catalog Sheet and User Manual
Catalog User ManualModel | RB20F | RB21FT | RB21FL/FLV | RB21FBV |
---|---|---|---|---|
Description | Standard | Heat Resistive | Pipe Extension | Shaft Extension |
Measuring Object | Powder, Granular material, Pellet | |||
Mounting | JIS5K65A (t=5) | JIS5K65A (t=6) | JIS5K65A (t=6) | JIS5K65A (t=5) |
Supply Power | 100, 110, 200, 200V AC 50/60Hz | |||
Power Consumption | Approx. 4W Max. | |||
Contact Rating | 1 SPDT, 250V 5A AC, 30V SA DC (Resistive), C-H: Normally Open contact, C-L: Normally Closed contact | |||
Operating Temperature Housing | 0 to 45 ℃ | |||
Operating Temperature Detection Part | 0 to 50 ℃ | 0 to 180 ℃ | 0 to 50 ℃ | |
Maximum Pressure | 20kPa | |||
Housing Material | ADC12 | |||
Flange Material | Steel | 304SS | 304SS | Steel |
Shaft Material | 304SS | |||
Paddle Material | 304SS | |||
Seal Material | NBR, PTFE | |||
Cable Entry | G1/2 | |||
Protection Housing | IP55 | |||
Protection Detection Part | IP45 | |||
Motor Rotation | 1rpm (50Hz) or 1.2rpm(60Hz) | |||
Life Expectancy | 5 x 105 Operations (micro switch) |
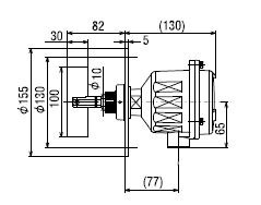
Technical drawings of Nohken Model RB Rotating Paddle Sensors.




For ordering replacement part, please supply full serial number
The serial number of the R7 Rotating paddle is specific to the option. If ordering a replacement part, please supply us with the full serial number to ensure we can provide an exact replacement part.
