
Model VH - Vibration Level Sensor
- For very low bulk density 0.02g/cm3 to 0.20g/cm3
- Uses solid state piezoelectric vibration principle for detecting material level
- Provides relay output when material contacts probe and dampens vibration
** If purchasing replacement part, just give us the serial number and we will supply the correct part.**
General Description
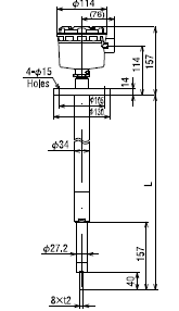
The VH series are designed for using very low density powder or material such as fibers, perlite, diatomaceous earth, toner, carbon black, white carbon, expanded polystyrene, etc. VH10 is a compact version used for high and low level detection. VH20 is suitable for high alarm in large silos. Pipe Extension up to 2500mm for N model and 4000mm for F model are available.
Operational Description
The vibration reed is welded on two sustention pipes in order to stabilize the vibration mode. Two piezo-electric elements are mounted on the vibration reed. One provides vibration and the other detects damping of vibration. When the vibration reed is covered by material, the piezo-electric element detects damping of vibration. The electronic circuit detects the damping and converts into relay output.
Click on the buttons for full Nohken Specification catalog Sheet and User Manual
Catalog User ManualModel | VH10NH | VH10FH | VH20NH | VH20FH |
---|---|---|---|---|
Description | Standard | Extension Tube | ||
Mounting | R1 | JIS5K50A | R1-1/4 | JIS5K50A | Supply Power | 90 to 132V AC, 180 to 264V AC 50/60Hz | Power Consumption | Approx. 5VA Max. |
Relay Output | 1 SPDT, 240V 3A AC, 30V 3A DC (Resistive), C-NO: Normally Open contact, C-NC: Normally Closed contact | |||
Detection Time Delay | Approx. 1 second for covered, Approx. 5 seconds for free | |||
Operating Temperature - Housing | 0 to 60 ℃ | |||
Operating Temperature - Vibration Rod | -20 to 80 ℃ | Maximum Pressure | 1MPa | |
Maximum Humidity | 95% RH | |||
Sensitivity | Aparent density of 0.02g/cm3 Min. | |||
Vibration Frequency | Approx 500Hz | |||
Housing Material | ADC12 | |||
Vibration Rod Material | 304SS * | |||
Extension Material | 304SS* | |||
Cable Entry | G3/4 | |||
Housing Protection | IP65 | |||
Vibration Rod Protection | IP68 | |||
Indication | Green LED for Power status, Red LED for Relay status |
Other materials are available.
Example of Powder with low Apparent Density
Medium | Apparent Density |
---|---|
Perlite | 0.02 to 0.5 |
White Carbon | 0.03 to 0.5 |
Ultrafine particle of anhydrous silica | 0.04 to 0.6 |
Fluorite | 0.04 to 0.12 |
Micro titanium dioxide | 0.08 |
Silicon nitride whisker | 0.1 |
Diatomaceous earth | 0.1 to 0.15 |
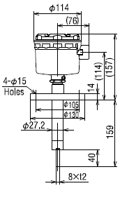
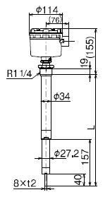
Technical drawings of Nohken Model VH Vibration Level Sensor .
Sensors




Wiring Diagram

For ordering replacement part, please supply full serial number
** If purchasing replacement part, just give us the serial number and we will supply the correct part.**
